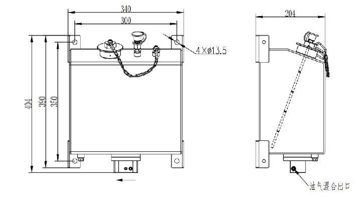
Pompa lubrikasi flens roda AOP
Pompa beroperasi dengan meter pelumas homogenisasi, dengan volume pra-set pada unit pompa. Menggunakan udara terkompresi sebagai medium transpor, cairan pelumas melalui distributor aliran ke nozel semprot, yang diterapkan dengan Rata pada roda flensa. Sistem hanya membutuhkan satu baris untuk menyerahkan pelumas dan udara terkompresi.
Ketika kondisi aliran di saluran keluar sama, campuran pelumas udara dibagi secara merata dalam distributor aliran. Sistem lengkap terdiri dari tangki, pompa plunger, distributor aliran, dan nozel semprot yang sesuai. Semua komponen bergerak terintegrasi ke dalam modul pelumasan, memfasilitasi akses mudah dan penggantian. Karena tidak pengikat aliran maupun nozel semprot yang berisi komponen bergerak, waktu pemeliharaan, dan biaya telah berkurang secara signifikan.
CN
EN
ru
fr
de
es
pt
ar
hi
id
tr
it
pl
nl

